IRCA-24-350

Ultra-compact constant-current controller

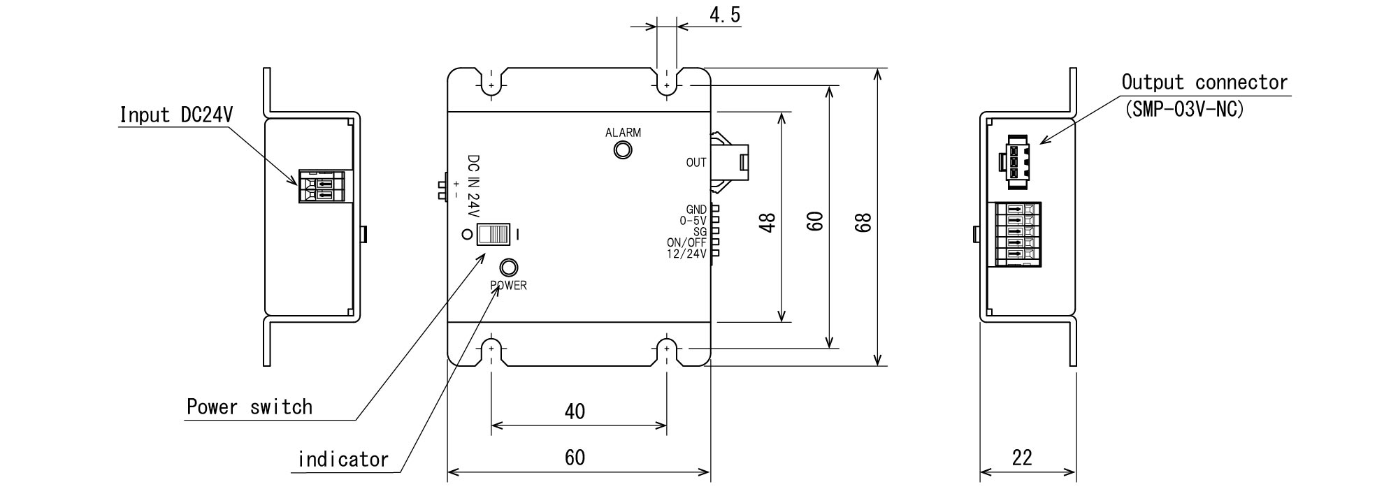
IRCA-24-350Ultra-compact constant-current controller – IRCA-24 series

IRCA-24-350
Model IRCA-24-350
Product Number 448-017
Channel numbers 1ch
Input Voltage 24VDC 0.5A or greater
External Control External On/Off Control
Internal Light Control Method
External Light Control Method 0 to 5 V DC
Output Connector SM connector (SMP-03V-NC)
Operation System constant current Max 350mA
Operating Temperature 0〜+40℃
Operating Humidity 20〜70% (non condensing)
Weight 70g
Conformity Standard
RoHS Directive RoHS2
China RoHS China RoHS Mark2

Product Data Download

Drawing PDF Members-Only
Drawing DXF Members-Only

*Please login from the member registration / login page for requesting a product trial or downloading members-only data.

Software License Agreement

Our company licenses the software and all data, hereinafter referred to as "software," which can be downloaded by agreeing to the terms of this license agreement free of charge.
This license agreement applies to our software and any copies made under this license agreement.

  1. Our company owns the copyright of the software, the materials related to it provided on this website, and any copies made under this license agreement.
  2. The unauthorized reproduction for the purpose of selling, transferring, or lending the software provided on this website to a third party is strictly prohibited except for internal use.
  3. The values obtained from the drawing elements of the downloaded data are not guaranteed to match the actual product.
    In addition, the contents and specifications of the software and registered products are subject to change without prior notice.Furthermore, we will not be held liable for any direct, indirect, or repercussive damages to the customer as a result of operating this software.
  4. This agreement comes into effect once a customer downloads the software.
    We retain the right to terminate this contract immediately in the event of the customer breaching this contract.
    Upon termination of this contract, the customer shall lose the right of use granted by us under this contract and return or erase the software and all copies thereof.

* Please read this license agreement before downloading this software.
* By downloading this software, the customer agrees to this license agreement.
* If you do not agree to this license agreement, please do not download this software.